Сохраните в закладки:
*История изменения цены! Указанная стоимость возможно, уже изменилось. Проверить текущую цену - >
| Месяц | Минимальная цена | Макс. стоимость | Цена |
|---|---|---|---|
| Feb-22-2026 | 5462.58 руб. | 5571.67 руб. | 5516.5 руб. |
| Jan-22-2026 | 4430.64 руб. | 4519.99 руб. | 4474.5 руб. |
| Dec-22-2025 | 5376.49 руб. | 5484.23 руб. | 5430 руб. |
| Nov-22-2025 | 5333.13 руб. | 5440.9 руб. | 5386.5 руб. |
| Oct-22-2025 | 4258.44 руб. | 4343.34 руб. | 4300.5 руб. |
| Sep-22-2025 | 5247.25 руб. | 5352.63 руб. | 5299.5 руб. |
| Aug-22-2025 | 5204.3 руб. | 5308.43 руб. | 5256 руб. |
| Jul-22-2025 | 5161.38 руб. | 5264.70 руб. | 5212.5 руб. |
Новые товары
Характеристики
Описание товара
Инструкция
Описание
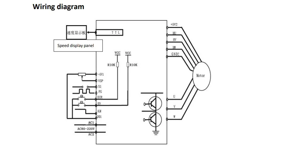
Внешняя Плата дисплея скорости, скорость дисплея; Также может быть подключена к компьютеру, используется для установки параметров привода;
Двухконтурная конструкция скорости тока, высокий крутящий момент на низкой скорости, стабильная работа;
Высокий крутящий момент и высокоскоростной выход, максимальная скорость 20000 об./мин.; (в соответствии с Инструкция двигатель может быть)
Режим контроля скорости: внешнее управление скоростью ШИМ или внешняя регулировка скорости потенциометра;
EN (enable), DIR (direction), X1 (brake) Регулятор сигнала;
Может выводить скорость импульса FG, (фотоэлектрическая изоляция, выход ворот);
Может выводить сигнал тревоги ALM для обнаружения пользователя (фотоэлектрическая изоляция, выход ворот);
С избыточным током, перенапряжением, пониженным напряжением, контролем вентилятора, ошибкой фазы датчика Холла, защитой двигателя и другими функциями защиты
70-220VAC вход, 5А ток, может управлять бесщеточным двигателем постоянного тока с мощностью ниже 1100 Вт
ФункцияЭтот продукт может реализовывать следующие функции: (стандартная заводская настройка по умолчанию-это режим открытой петли квадратного волнового Холла)1. Квадратная волна имеет операционную петлю скорости Холла2. Квадратная волна имеет замкнутую петлю скорости зала3. Квадратная волна без скорости Холла4. Квадратная волна без скорости Холла5. Режим работы с постоянным крутящим моментом (длительная работа от перегрузки строго запрещена)6. Режим работы в замкнутом режиме с постоянным крутящим моментом (долгосрочная операция по перегрузке запрещена)Вышеуказанные функции могут быть установлены в соответствии с программным обеспечением ПК или ручным отладчиком, предоставленным нашей компанией.Примечание: когда нет операции зала, нет функции управления направлением;






Размер драйвера двигателя BLDC:




Давно искала такие коробочки. Заказала сразу несколько штук. Мне как раз нужны были такие, чтобы упаковывать свой товар. Очень понравилась... Читать отзыв полностью...
Лотос шикарный,смотрится очень красиво,вписываетс я в любой интерьер,цвет его вообще необычный.Очень люблю такие мелкие полезные штучки поэтому не смогла пройти... Читать отзыв полностью...
Делаю на заказ бусы, но такой темно-синий жемчуг вижу в продаже нечасто. Решила взять, чтобы предложить клиентам что-то необычное. Цвет... Читать отзыв полностью...
Очень интересные песочные часы, для детей от трёх лет и выше. Дочка моя любит играться с такими необычными игрушками,перевора чивает... Читать отзыв полностью...
Люблю такие объёмные картины,они выглядят так презентабельно и по-современному,а главное такую картину можно повесить в любой комнате,главное выбрать подходящую тематику.Мне... Читать отзыв полностью...
Купила чтобы делать красивые фото для сторис. Вазочка с цветочком, кружка кофе, круасанчик- фильтр наложила и можно выкладывать. Сразу... Читать отзыв полностью...
Чехлы всегда покупаю в интернете. Гораздо дешевле, а качество один в один. В магазинах бешеная наценка. Возможно они сами и... Читать отзыв полностью...