Сохраните в закладки:
*История изменения цены! Указанная стоимость возможно, уже изменилось. Проверить текущую цену - >
| Месяц | Минимальная цена | Макс. стоимость | Цена |
|---|---|---|---|
| Feb-21-2026 | 55993.41 руб. | 57113.91 руб. | 56553 руб. |
| Jan-21-2026 | 45412.2 руб. | 46320.76 руб. | 45866 руб. |
| Dec-21-2025 | 55111.68 руб. | 56213.49 руб. | 55662 руб. |
| Nov-21-2025 | 54670.89 руб. | 55763.1 руб. | 55216.5 руб. |
| Oct-21-2025 | 43648.44 руб. | 44521.63 руб. | 44084.5 руб. |
| Sep-21-2025 | 53789.68 руб. | 54865.0 руб. | 54327 руб. |
| Aug-21-2025 | 53348.34 руб. | 54415.15 руб. | 53881.5 руб. |
| Jul-21-2025 | 52907.26 руб. | 53965.56 руб. | 53436 руб. |
Новые товары
Характеристики
Описание товара
Автономный контроллер DDCS-EXPERT 3/4/5 оси 1Mkhz поддержка шагового/двойного y-оси/ATC Замена DDCSV3.1
1 х контроллер с ЧПУ (3, 4, 5 осей опционально) 1 x USB кабель-удлинитель 1x4 ГБ USB флэш-диск сетевой кабель-1 шт. 1 x 5-осевой аварийной остановки электронный маховик MPG 2x75 Вт Питание

Введение:
Система DDCS-EXPERT является профессиональным 3-5 оси motion контроллер на основе Платформа со встроенной. Оборудована кухонным гарнитуром с диагональю 7 дюймов полный цветной экран, полноценная клавиатура вход переменного тока, и настраиваемых функциональных клавиш для того, чтобы сделать пользователей операции более удобными. Он поддерживает многофункциональный, прямой журнал инструментов, Круглый дисковый накопитель, функция журнала инструментов. Интерфейс и структура используют основной метод на рынке, с простой работой, легко научиться и понять, и удобная установка. В системе используется усовершенствованный алгоритм адаптивного контроля скорости вперед, который имеет характеристики высокой эффективности обработки и хорошего качества поверхности. Удовлетворить потребности различных гравировальных машин, гравировальных и фрезерных машин, резки
Особенности
* Макс. 5 осей; 2-4 оси линейной интерполяции, любые 2 оси круговой интерполяции;
* 7 дюймовый полноцветный светодиодный дисплей экран, разрешение экрана: 1024*600,40 работа клавиш
* 24 фотоэлектрических изолированных цифровых входа, 21 фотоэлектрический изолированный цифровой выход
* Аналоговое управление шпинделя 0-10 в управление шпинделя, поддержка PWM выход
* Тип журнала: многофункциональный, прямой инструментальный журнал и дисковый журнал
* Режим зонда: Поддержка автоматического зонда и ручного зонда
* Датчик фиксированного положения датчика инструмента, датчик плавающего инструмента, первый зонд/второй зонд;
* Методы компенсации люфта: Компенсация зазора направления, компенсация зазора радиуса, компенсация длины;
* Алгоритм интерполяции: S Тип, круговой жесткий алгоритм, круговой мягкий алгоритм;
* Язык: китайский, английский;
* Программная Сигнализация: ошибка программы, ошибка работы, ошибка при переходе, ошибка драйвера и т. д.
* Сеть: Поддержка обмена файлами и онлайн-обработки удаленных файлов
* Дифференциальный выход для импульсного и направленного сигнала, Макс. Интерполяция импульсной выходной частоты 1 МГц
* Режим управления шпинделем, Mul-speed (4 линии 16 видов скорости), серво шпиндель
* Совместимость со стандартным g-кодом, поддержка популярного программного обеспечения CAD/CAM, такого как ArtCam, MasterCam, ProE, JDSoft SurfMill, Aspire, Fusion 360 и так далее.
* Система управления может просмотреть путь обработки перед обработкой, и это делает систему более устойчивой, работающей гладкой и точной
* Поддерживает высокоскоростную обработку в непрерывном сегменте полилиний, система может автоматически выбирать наиболее эффективный алгоритм из разных типов алгоритмов сегментов полилинии;
* Поддержка файлов неограниченного размера для обработки
* Поддержка точки останова, восстановление «Power Cut», попробуйте вырезать, начните с ближайшей точки, начните с определенной линии
* Поддержка функции блокировки времени;
* Поддержка 4 видов прав на операции: посетитель, оператор, admin, super admin

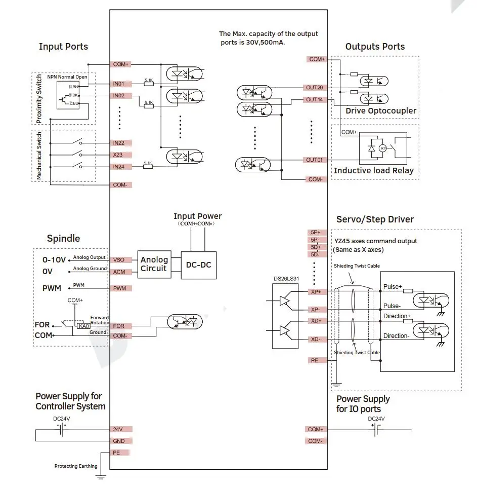
Введение в проводку:
1) Источник питания системы и порт ввода питания IO; 2) выходной порт сигнала драйвера; 3) вход
И выходной порт; 4) выходной порт шпинделя; 5) порт MPG; 6) интерфейс Ethernet и USB; 7)
Интерфейс HMI/RS232.
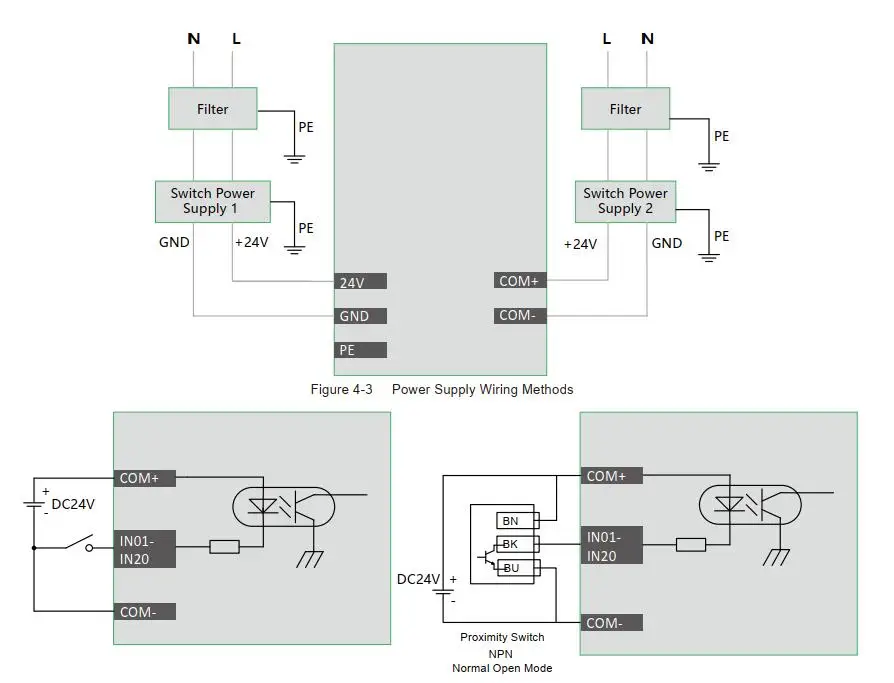
DDCS-EXPERT/M350 требует два источника питания, основной источник питания используется для системы контроллера, а источник питания порта IO используется для ввода и вывода и MPG-порта. Оба источника питания 24VDC и ток 3A. Входной порт питания, отмеченный 24 В и GND является основным входным портом питания; В IO входном порту s, COM + и COM-это входной/выходной порт s и входной порт s MPG. Пожалуйста, помните, что контроллер может работать нормально, только если два источника питания правильно подключены. Многие новые пользователи поставляют питание только в систему, а затем есть ограниченные переключатели, реле, MPG и шпиндель не работают вообще, затем проверьте, все ли еще обеспечивает питание порта IO. Источник питания IO обеспечивает питание всех портов IO, включая ограниченные переключатели, реле, MPG, Etop и все другие входные и выходные порты, без него, шпиндель, MPG, порты ввода и вывода не будут работать. Во избежание электрического шума настоятельно рекомендуется использовать два отдельных источника питания 24 В. Во избежание высокочастотного электрического шума от кабеля питания настоятельно рекомендуется установить фильтр шума на конце входного источника питания переключения
Введение в проводку инвертора:
В аналоговом шпинделе выходной терминал управления скоростью может выводить 0-10 В. Его можно отрегулировать, отправив напряжение от 0 до 10 в VFD, скорость вращения шпинделя двигателя шпинделя. Используйте VFD (привод с переменной частотой) для управления скоростью шпинделя, нужно только начать/остановить сигнал и сигнал 0-10 В для управления частотой. Метод подключения для порта такой же, как у обычного выходного порта. Для используется для прямого выхода шпинделя или запуска/остановки; Аналоговая схема изолирована от выходной мощности, не короткого замыкания ACM и COM- (DCM); Если вы Нужны только команды запуска и остановки шпинделя, вам нужно только подключить выходной порт для структуры контроллера с входным портом запуска Инвертор
Проводка привода:
Шаг/Сервоуправление выход, мы используем дифференциальный импульсный и направленный Метод вывода
Как показано на рис. 1-12. 1 МГц на ось. Есть 3 или 4 или 5 осей.
На рис. 1-12 оси X представлены в качестве примера: Y, Z, A и B-те же методы проводки.
Импульсное и направленное выходное напряжение сигнала ± 5 В
Проводка входного сигнала:
DDCS-EXPERT/M350 вход и выход являются пользовательскими портами IO, в нашем образе, мы установили IN12,
IN11 и IN10 используются в качестве входных портов с ограничителем оси, и мы установили IN09 на «зонд»
Выходной порт.
Обратите внимание, что Тип Концевого переключателя должен быть NPN нормально открытым, а диапазон напряжения
24VDC
Вход и выход DDCS-EXPERT/M350-это пользовательские порты IO, например, мы уже установили IN23
Как входной порт «внешний старт», IN22 как входной порт «внешняя пауза» и IN21 как входной порт «внешняя остановка».
Пожалуйста, выберите внешние кнопки, которые являются 24VDC входом источника питания. Тогда не нужно
Внешний источник питания для них
MPG проводка:
Важно:
1) общий терминал всех входных сигналов COM-вместо GND; Не используйте GND короткого замыкания и
COM-;
2) MPG должен питаться через порт питания IO (COM + / COM-), в противном случае MPG не может работать;
3) из-за ограничения pin, если X10 и X100 не выбраны, система должна только выбрать X1
По умолчанию.
4) Используйте MPG, а затем нажмите кнопку «пробная резка», систему можно изменить на режим «Руководство колеса».
Ботинок) может быть активным
Лотос шикарный,смотрится очень красиво,вписываетс я в любой интерьер,цвет его вообще необычный.Очень люблю такие мелкие полезные штучки поэтому не смогла пройти... Читать отзыв полностью...
Купила такой диспенсер себе на кухню, очень удобный и недорогой, моется легко, грязь на дне не скапливается, потому что легко... Читать отзыв полностью...
Чехлы всегда покупаю в интернете. Гораздо дешевле, а качество один в один. В магазинах бешеная наценка. Возможно они сами и... Читать отзыв полностью...
Взяла часы с лисичкой. Очень милые, нравятся и дочке, и мне. Дочка даже нарисовала эту лису в своем альбоме. Часы... Читать отзыв полностью...
Делаю на заказ бусы, но такой темно-синий жемчуг вижу в продаже нечасто. Решила взять, чтобы предложить клиентам что-то необычное. Цвет... Читать отзыв полностью...
Очень интересные песочные часы, для детей от трёх лет и выше. Дочка моя любит играться с такими необычными игрушками,перевора чивает... Читать отзыв полностью...



























Ваза очень красивая,необычный дизайн,расцветка.Б льшая,вместительн я,даже если в ней не всегда есть цветы,то она и сама по себе выглядит как... Читать отзыв полностью...