Сохраните в закладки:
*История изменения цены! Указанная стоимость возможно, уже изменилось. Проверить текущую цену - >
| Месяц | Минимальная цена | Макс. стоимость | Цена |
|---|---|---|---|
| Mar-21-2026 | 2520.42 руб. | 2646.43 руб. | 2583 руб. |
| Feb-21-2026 | 2499.55 руб. | 2624.67 руб. | 2561.5 руб. |
| Jan-21-2026 | 2097.74 руб. | 2202.44 руб. | 2149.5 руб. |
| Dec-21-2025 | 2457.91 руб. | 2580.36 руб. | 2518.5 руб. |
| Nov-21-2025 | 2139.92 руб. | 2246.84 руб. | 2192.5 руб. |
| Oct-21-2025 | 2415.25 руб. | 2536.64 руб. | 2475.5 руб. |
| Sep-21-2025 | 2393.39 руб. | 2513.31 руб. | 2453 руб. |
| Aug-21-2025 | 2372.85 руб. | 2491.6 руб. | 2431.5 руб. |
| Jul-21-2025 | 2351.15 руб. | 2469.36 руб. | 2410 руб. |
Новые товары
Характеристики
Описание товара
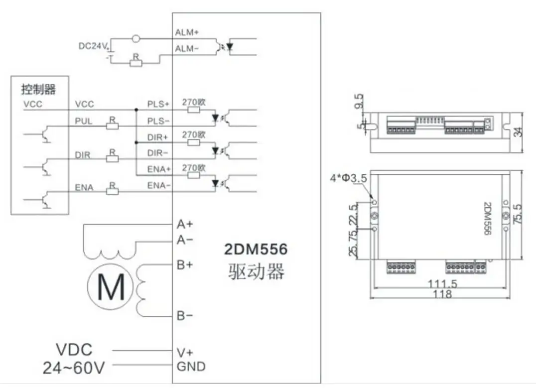
2DM556S Description:
Specification: Item Type: Stepper Motor Driver Input Voltage: DC24V-48V The Highest Pulse Frequency: 200K Communication Rate; 57.6Kbps Overvoltage Value: 60V Feature: 1. Automatic parameter setting and motor self-test. 2. Internal multi-stepping, low noise, low heat, smooth motion. 3. High speed torsion compensation. 4. Variable current control technology for high current efficiency. 5. Internal acceleration and deceleration control, greatly improving the stability of starting or stopping the motor. 6. Support PUL/DIR and CW/CCW modes. 7. Optically isolated input compatible with 5V or 24V. 8. User-defined microstep, microstep resolution and output current programmable.
2DM556 Description:
Introduction: JMC 2DM556 is new digital stepper motor driver which adopts latest 32-bit DSP control technology and built-in microstepping technology. Users can set microsteps within 25600step/rev, and any current value within rated current range. 2DM556 driver greatly improves stability and reduces noise under low subdivision. Automatic parameter tuning is integrated inside this driver, can help automatically adjust to the best operation parameters to maximize performance of different stepper motors. The new 32-bit DSP technology Optically isolated differential inputs (26LS32) Ultra-low noise and vibration The range of micro steps is 2-128 Built in 500 times high frequency micro steps Driver 2 phase step motor with 4leads,6leads and 8leads Current settings is optional between ratings current will automatically halved when stand still Pulse frequency response up to 200KHz Overvoltage, undervoltage, short circuit protection Alarm output function I / O ports
Size
Product Package
1 X Motor driver
Красивая шаль (шарф), приятная на ощупь с интересным и очень аккуратным кружевом,. Нитки нигде не торчат и дизайн меня покорил. ... Читать отзыв полностью...
Купила такой диспенсер себе на кухню, очень удобный и недорогой, моется легко, грязь на дне не скапливается, потому что легко... Читать отзыв полностью...
Чехлы всегда покупаю в интернете. Гораздо дешевле, а качество один в один. В магазинах бешеная наценка. Возможно они сами и... Читать отзыв полностью...
Выбрала розовый вариант пижамки. Выглядит мило, романтично и немножко по-детски. На теле она приятная, ткань как невесомая. После первой стирки... Читать отзыв полностью...
Делаю на заказ бусы, но такой темно-синий жемчуг вижу в продаже нечасто. Решила взять, чтобы предложить клиентам что-то необычное. Цвет... Читать отзыв полностью...
Очень люблю всякие мелочи на холодильнике,раскл адываю их красиво и прям аш настроение поднимают.Звёздочк и разноцветные -отличная идея для магнитиков,смотрят... Читать отзыв полностью...


Ваза очень красивая,необычный дизайн,расцветка.Б льшая,вместительн я,даже если в ней не всегда есть цветы,то она и сама по себе выглядит как... Читать отзыв полностью...